We provide Helical Coil Thread Gauges For Inserts, API Thread Gauges, API Thread Profile Gauges, API Instrument, Plain Gauges, , Measuring Pins, Spline Gauges, Air Gauges, Calibration And Measuring Equipements, and our setup situated at Pune, Maharashtra, India
| Gauge Type | Range |
|---|---|
| Thread Plug Gauge | 1 mm to 620 mm |
| Thread Ring Gauge | 1 mm to 600 mm |
| Taper Thread Plug Gauge | 1/16 Inch to 20 Inch ( Taper 1:16 to 1:4) |
| Taper Thread Ring Gauge | 1/16 Inch to 20 Inch ( Taper 1:16 to 1:4) |
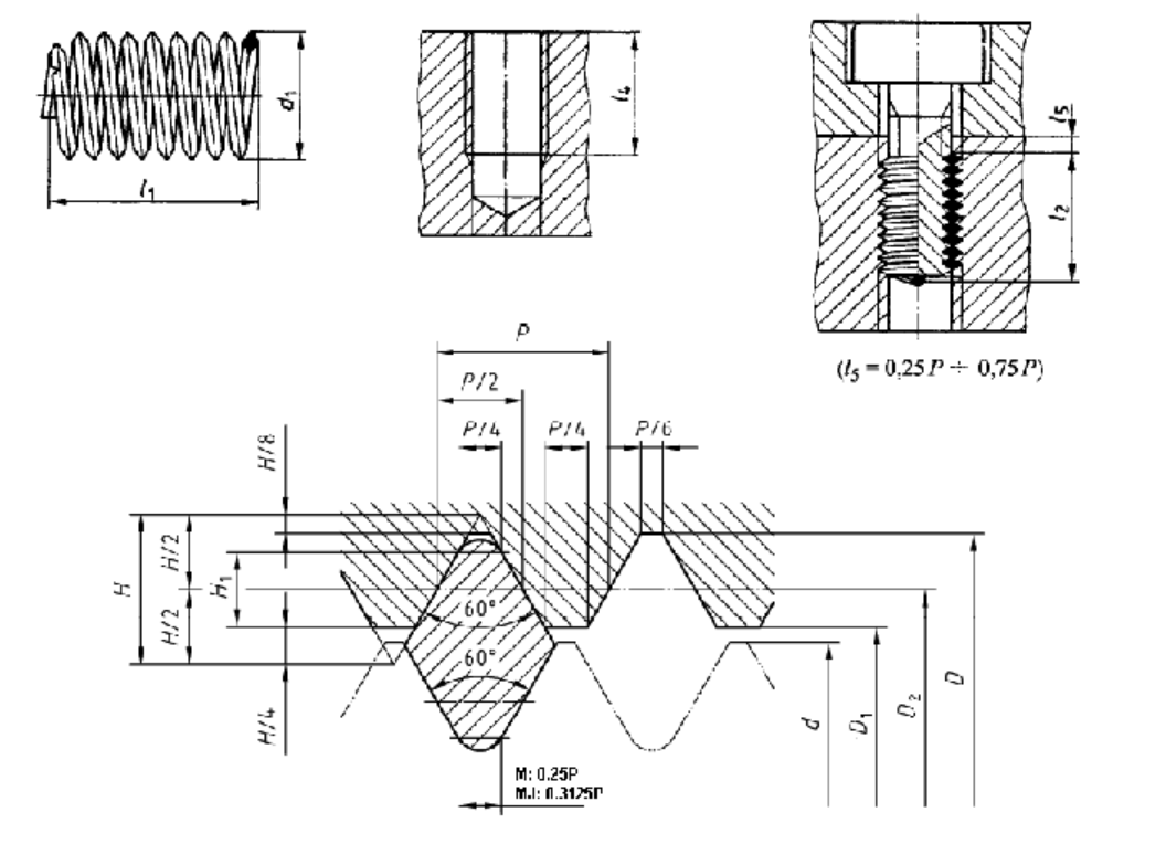
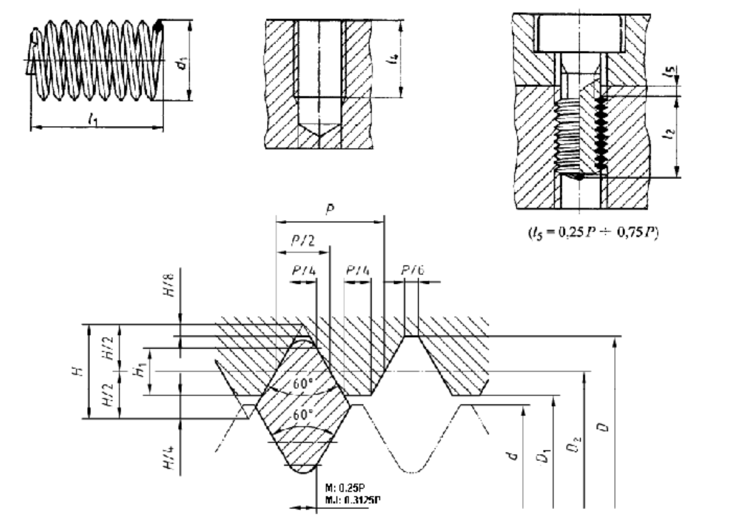
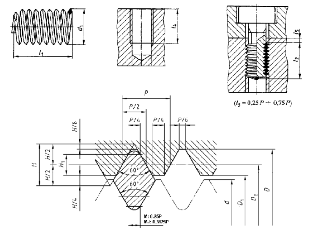
Helical Coil Thread Gauges For Inserts
ISO 1502: 1996 (JIS B 0251:2008, IS 2334:2001) ANSI/ASME B1. 16M: 1984
BS 919-1:2007
ISO 1502: 1996 (JIS B 0251:2008, IS 2334:2001)
ANSI/ASME B1.2 : 1983
ISO 15872 : 2002
BS 919-1:2007
ISO 1502: 1996 (JIS B 0251:2008, IS 2334:2001)
ANSI/ASME B1.2: 1983
ISO 15872: 2002
B.S. 919-2:2007
ISO 228-2: 1987 (JIS B 0254: 2011, IS 10216: 1988)
ISO 7-2: 2000 (EN10226-3: 2005, IS 8999: 2003)
DIN 2999: 1973
BS 21:1985
ISO 7-2: 1983 (JIS B 0253: 1985)
ASME B1.20.1: 1983

