We provide Buttress Thread Gauges, Thread Gauges, API Thread Gauges, API Thread Profile Gauges, API Instrument, Plain Gauges, Measuring Pins, Spline Gauges, Air Gauges, Calibration And Measuring Equipements, and our setup situated at Pune, Maharashtra, India
| Gauge Type | Range |
|---|---|
| Thread Plug Gauge | 1 mm to 620 mm |
| Thread Ring Gauge | 1 mm to 600 mm |
| Taper Thread Plug Gauge | 1/16 Inch to 20 Inch ( Taper 1:16 to 1:4) |
| Taper Thread Ring Gauge | 1/16 Inch to 20 Inch ( Taper 1:16 to 1:4) |
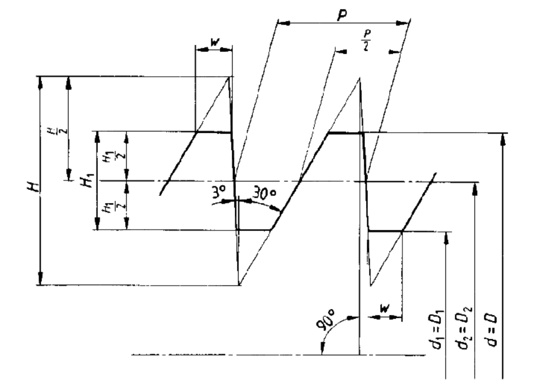
Buttress Thread Gauges
ISO 1502: 1996 (JIS B 0251:2008, IS 2334:2001) DIN 103-9:1985
ISO 1502: 1996 (JIS B 0251:2008, IS 2334:2001) DIN 103-9:1985
ISO 1502: 1996 (JIS B 0251:2008, IS 2334:2001) DIN 103-9:1985
ASME B1.9: 1973
B.S. 1657:1950
ISO 1502: 1996 (JIS B 0251:2008, IS 2334:2001) DIN 103-9:1985
ISO 1502: 1996 (JIS B 0251:2008, IS 2334:2001) DIN 103-9:1985
ISO 1502: 1996 (JIS B 0251:2008, IS 2334:2001) DIN 103-9:1985
ASME B1.9: 1973
B.S. 1657:1950

